信捷电气选型平台
型支持与报价:18115003881
选型支持与报价:18115003881
MS6G-265TH17B2-448P0-F
❤ 收藏

MS6G-265TH17B2-448P0-F

48KW
100-300Nm
265mm
1700转
不带抱闸
三相380V
中惯量-G
TH-23位多圈绝对值光电编码器
B2形式
Φ48mm

信捷伺服电机,48KW,270Nm,1700转,中惯量,AC380V,100A,编码器精度23位,防护等级IP67;型号:MS6G-265TH17B2-448P0-F(信捷48KW中惯量伺服电机),推荐配套驱动,DM6C-445P0S-M;

0.00
0.00
¥0.00
重量:0.000KG
数量:
立即购买
加入选型车
产品配件
  
原价:¥
0.00
  
  搭配总价:¥
0.00
商品描述

信捷伺服电机,48KW,270Nm,1700转,中惯量,AC380V,100A,编码器精度23位,防护等级IP67;型号:MS6G-265TH17B2-448P0-F(信捷48KW中惯量伺服电机),推荐配套驱动,DM6C-445P0S-M;


 信捷品牌正规授权代理商—常州三禾工自动化科技有限公司

选型技术支持:18115003881


MS6系列48KW伺服电机(风冷)

MS6G-265TH17B2-448P0-F 



产品描述

 

型号:MS6G-265TH17B2-448P0-F;


推荐驱动:

DM6C-445P0S-M(EtherCAT 总线型新款);



规格参数


电机型号MS6G-265TH17B2-448P0-F
电机代码
电压等级三相380V 

额定功率[KW]

48KW
额定电流[A]100A
额定转速[rpm]1700
最高转速[rpm]
额定转矩【Nm】270【Nm】
最大转矩【Nm】     【Nm】
转子惯量[10^-7kg.m2]
惯量类型
中惯量
编码器位数23 位
编码器种类光电编码器
电机绝缘等级ClassF(155℃)
防护等级IP67
环境温度-15℃~+40℃
环境湿度相对湿度<90%(不结露)
是否带抱闸不带
抱闸线圈功率【W】
抱闸线圈电流【A】
静摩擦转矩【Nm】


MS6系列T/N曲线


扭矩(N.m)

转速(rpm)



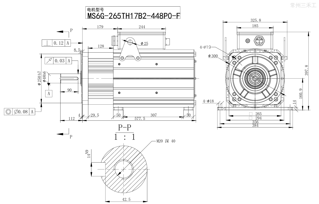
外形尺寸图(单位:mm)






 信捷品牌正规授权代理商—常州三禾工自动化科技有限公司

选型技术支持:18115003881


 电机

可以配套的驱动器

配套电缆

类型

编码器电缆

(03表示3米)

动力电缆

(03表示3米)

可以订购的标准长度

电缆自制

配件包

MS6G-265TH17B2-448P0-FDM6C-445P0S-M   高柔CPT-ZDL-B-03CM-D300-03

2米,3米,5米,6米

8米,10米,12米,16米

20米,25米,30米,40米







       MS6G-265TH17B2-448P0-F       尺寸图PDF文档     下载
       MS6G-265TH17B2-448P0-F       三维图                         暂无
       MS6G-265TH17B2-448P0-F       CAD图                         下载


 信捷品牌正规授权代理商—常州三禾工自动化科技有限公司

选型技术支持:18115003881

命名规则







外形尺寸图(单位:mm)






 信捷品牌正规授权代理商—常州三禾工自动化科技有限公司

选型技术支持:18115003881